2- und 3-Wege Elektropilotventile N.C.
Sie können in jeder Hinsicht als Mini-Magnetventile mit Direktsteuerung bezeichnet werden, die normalerweise geschlossen (N.C. = normally closed) sind, wobei folgende Einschränkungen gelten: Weniger Zyklen bei 1’, die durch die festgelegte Abmessung des Auslasses mit Ø mm 3 abhängen und die Verwendung von Pumpen mit kleinem Durchsatz. Das normalerweise geschlossene Elektropilotventil wird durch eine um 360° verstellbare Spule vervollständigt, die in Polyamidharz eingeschlossen ist, die mit Glasfaser der Klasse F 155° C geladen ist.
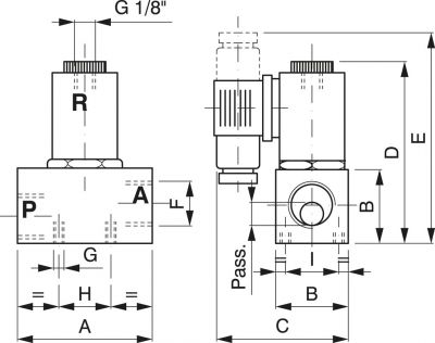
Die Verbindung entsteht durch einen eingebauten HIRSCHMANN-Anschluss.
- Leistungsaufnahme: MAX 11 Watt
- Standard-Spannung: 24-110-220 V. 50/60 Hz 110-48-24-12 DC 100% ED
- Betriebseinschränkungen: Nennspannung +5% –10% bei heißer Spule
- Betriebstemperatur Spule: –10° +45° C.
- Max Fluidum-Temperatur: +80° C.
- Schutzgrad Verbinder: IP 65
| Art. | A | B | C | D | E | F | G | H | I | Ø Orif. | Portata m3/hCapacity m3/hDurchsatz m3/h |
|---|---|---|---|---|---|---|---|---|---|---|---|
| ELP/2 1/4 | 44 | 25 | 62.5 | 81 | 86 | 1/4" | M 6 | 15.5 | 15.5 | 6 | 5 |
| ELP/2 1/2 | 65 | 35 | 65 | 90 | 98 | 1/2" | M 6 | 25 | 28 | 11 | 10 |
| ELP/3 1/4 | 44 | 25 | 62.5 | 81 | 86 | 1/4" | M 6 | 15.5 | 15.5 | 6–3* | 5 |
| ELP/3 1/2 | 65 | 35 | 65 | 90 | 98 | 1/2" | M 6 | 25 | 28 | 11–3* | 10 |