Flügelpumpen für Hochvakuum - 105-305 mc/h
Eigenschaften
Die einstufigen Vakuumpumpen mit Öleinspritzung von Gamavuoto sind das Ergebnis einer mehrjährigen Erfahrung im Bereich der Vakuumtechnologie, die auf eine ständige Anpassung an die Notwendigkeiten von Industrie und Umwelt ausgerichtet ist. Ihre breite Leistungspalette (Durchsatz von 5 m3/h bis 250 m3/h) bietet jedem Benutzer die Pumpe, die er benötigt.
Sie weisen die folgenden Haupteigenschaften auf:
- Betriebsmöglichkeit in jeglichem Druckbereich von 400 mm HG bis 759 mm HG
- auf Anfrage für niedrige Unterdruckwerte verfügbare Version
- geringe Geräuschentwicklung, wenig Vibrationen
- effiziente Luftkühlung, Montageleichtigkeit
- Robustheit
- einfache Wartung
- Möglichkeit der Anpassung zur Lösung zahlreicher Probleme aufgrund einer breiten Zubehörpalette
- Betriebstemperatur von 0° C bis +50° C

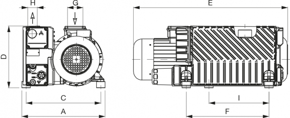
Art. | Volume aspiratoVacuum flowVakuum-Durchsat | Press. finaleFinal pressure ABSEnddruck | VelocitàRpmGeschwindigkeit | Potenza motoreMotor powerMotorleistung | PesoWeightGewicht | A | B | C | D | E | F | G | H | I | |||
---|---|---|---|---|---|---|---|---|---|---|---|---|---|---|---|---|---|
50 Hz Mc/h |
60 Hz Mc/h |
mbar (ass.) | 50 Hz g/min |
60 Hz g/min |
50 Hz Kw |
60 Hz Kw |
kg | ||||||||||
GPZL 106 | 106 | 127 | 0.1 | 1400 | 1700 | 2.2 | 3.7 | 70 | 392 | 315 | 352.5 | 292 | 706 | 390 | 1-1/2" | 1-1/4" | 283 |
GPZL 106 K Zero* | 106 | 127 | 4 | 1400 | 1700 | 2.2 | 3.7 | 70.5 | 392 | 315 | 352.5 | 292 | 705 | 390 | 1-1/2" | ||
GPZL 151 | 151 | 181 | 0.1 | 1400 | 1700 | 3.3 | 3.7 | 82 | 392 | 315 | 352.5 | 292 | 743 | 390 | 1-1/2" | ||
GPZL 151 K Zero* | 151 | 181 | 4 | 1400 | 1700 | 3.3 | 3.7 | 80 | 392 | 315 | 352.5 | 292 | 747 | 390 | 1-1/2" |
* This version of the pump is marked out by the capability to keep as low as possible the oil temperature and therefore to have a better behaviuor during the operation