In-line vacuum generators mod. VL
In line vacuum generators provided with great suction power.
Thanks to their shape, since the aspiration and the air exhaust are on the same line and direction, these generators are particularly suitable for taking and transporting granulated, powders, liquids, vapors and fumes.
Since no power connection is required, they can also be used in environments under the hazard of inflammability and they need virtually no maintenance.
In addition, thanks to their good suction flow, they can be used as a source of vacuum when removing and handling porous materials such as paper and textiles.

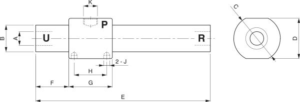
Art. | A | B | C | D | E | F | G | H | J | K |
---|---|---|---|---|---|---|---|---|---|---|
VL 07-03 | 6.5 | 18.5 | 32 | 30 | 89 | 19 | 25 | 18 | M4 | G1/8 |
VL 12-06 | 12.5 | 24 | 38 | 34 | 140 | 25.5 | 32 | 23 | M4 | G1/4 |
VL 19-06 | 19 | 32 | 50 | 45 | 190 | 38 | 50 | 40 | M4 | G3/8 |
VL 38-03 | 25 | 38 | 59 | 55 | 198 | 40 | 56 | 40 | M4 | G3/8 |
VL 38-06 | 38 | 49.6 | 69 | 65 | 205 | 40 | 60 | 42 | M4 | G3/8 |
Art. | Velocità dell'ariaAir velocityLuftgeschwindigkeit | PortataVacuum flowTragfähigkeit | Vuoto maxMax vacuumMax. Vakuum | Consumo d'aria (l/min)Air consumption (l/min)Luftverbrauch (l/min) | |
---|---|---|---|---|---|
ft/s | l/min | mm/Hg | 2.8 bar | 5.5 bar | |
VL 07-03 | 485 | 295 | 26 | 85 | 160 |
VL 12-06 | 361 | 870 | 35 | 395 | 680 |
VL 19-06 | 325 | 1825 | 28 | 790 | 1365 |
VL 38-03 | 223 | 4400 | 4.4 | 405 | 695 |
VL 38-06 | 270 | 5610 | 9 | 790 | 1365 |