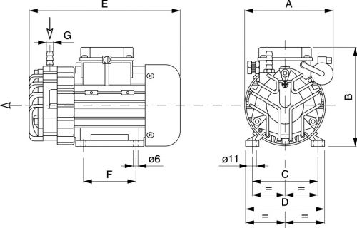
Vacuum pumps without lubrication GPZS 5

Art. | Volume aspiratoVacuum flowVakuum-Durchsat | Press. finaleFinal pressure ABSEnddruck | VelocitàRpmGeschwindigkeit | Potenza motoreMotor powerMotorleistung | PesoWeightGewicht | A | B | C | D | E | F | G | |||
---|---|---|---|---|---|---|---|---|---|---|---|---|---|---|---|
50 Hz Mc/h |
60 Hz Mc/h |
mbar (ass.) | 50 Hz g/min |
60 Hz g/min |
50 Hz Kw |
60 Hz Kw |
kg | ||||||||
GPZS 5 | 5 | 6 | 120 | 2800 | 3300 | 0.12 | 0.15 | 5.4 | 139 | 138 | 90 | 108 | 226 | 71 | 1/8" |
- Vacuum pumps without lubrication - 2-4 mc/h
- Vacuum pumps without lubrication - 6-10 mc/h
- Vacuum pumps without lubrication G series - 10-25 mc/h
- Vacuum pumps without lubrication G series - 30-35 mc/h
- Vacuum pumps without lubrication GPZS 5
- Vacuum pumps without lubrication GPZS 10
- Vacuum pumps without lubrication GPZS 16-40
- Vacuum pumps without lubrication GPZS 60-140