High vacuum vane pumps - 2-5 mc/h
Characteristics
Gamavuoto oil injection single-stage vacuum pumps are the result of many years of experience in the vacuum technology sector, making constant adjustments to the needs of industry and the environment. The vast range of their performances (capacity from 5 mc/h to 250 mc/ h) allows every user to find a pump to meet all their needs. Here is a list of the main characteristics:
- Can be used in any pressure range from 400 mm Hg to 759.5 mm Hg.
- On request low depression values.
- Low noise level. Little vibration.
- Efficient air cooling, ease of mounting
- Strength.
- Easy to maintain.
- Can be adapted to solve many problems, because of the vast range of accessories.
- Working temperature from 0°C to +50°C.

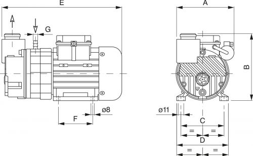
Art. | Volume aspiratoVacuum flowVakuum-Durchsat | Press. finaleFinal pressure ABSEnddruck | VelocitàRpmGeschwindigkeit | Potenza motoreMotor powerMotorleistung | PesoWeightGewicht | A | B | C | D | E | F | G | |||
---|---|---|---|---|---|---|---|---|---|---|---|---|---|---|---|
50 Hz Mc/h |
60 Hz Mc/h |
mbar (ass.) | 50 Hz g/min |
60 Hz g/min |
50 Hz Kw |
60 Hz Kw |
kg | ||||||||
GPZL 2 | 2 | 2.5 | 10 | 2800 | 3300 | 0.12 | 0.15 | 5.4 | 139 | 138 | 90 | 108 | 246 | 71 | ø 9 |
GPZL 4 | 4 | 4.8 | 2 | 2800 | 3300 | 0.12 | 0.15 | 5.4 | 139 | 138 | 90 | 108 | 246 | 71 | ø 9 |